一臺ZDL示波記錄儀能覆蓋多少CAN總線測試需求?
CAN總線測試中,工程師的需求往往不止于報文收發,還涉及DBC解析、物理波形分析及多路信號同步采集等多個環節。ZDL系列示波記錄儀如何通過模塊化板卡架構,將這些能力整合在一臺設備上?
模塊化架構,按需擴展CAN采集能力
ZDL系列示波記錄儀采用模塊化設計,主機提供8個板卡插槽,用戶可以根據實際測試需求,搭配不同類型的采集板卡來實現不同信號的采集(如圖1所示)。

圖1 ZDL6000主機
DQM-62151是其中一款雙路CAN總線通信板卡,支持CAN 2.0A/B和CAN FD協議,波特率范圍覆蓋5 kbit/s~8 Mbit/s(如圖2所示)。將該板卡插入主機后,ZDL示波記錄儀即具備CAN總線的采集與通信能力。

圖2 DQM-62151-CAN/CANFD采集板卡
CAN報文的收發功能
搭配DQM-62151板卡后,ZDL示波記錄儀既能接收CAN報文,也能對外發送報文。
打開任一CAN通道,在“控制設置”菜單中可設置收發器類型(CAN/CAN FD)、最大報文數、只聽模式、終端電阻等參數。CAN FD模式下,還支持分別設置仲裁域和數據域的波特率與采樣點(如圖3所示)。

圖3 CAN通道控制設置
需要發送報文時,進入“幀發送設置”菜單,可配置幀類型、幀ID、數據長度、數據內容、重復次數、發送次數、發送間隔等參數,配置完成后點擊發送即可(如圖4所示)。

圖4 CAN通道幀發送設置
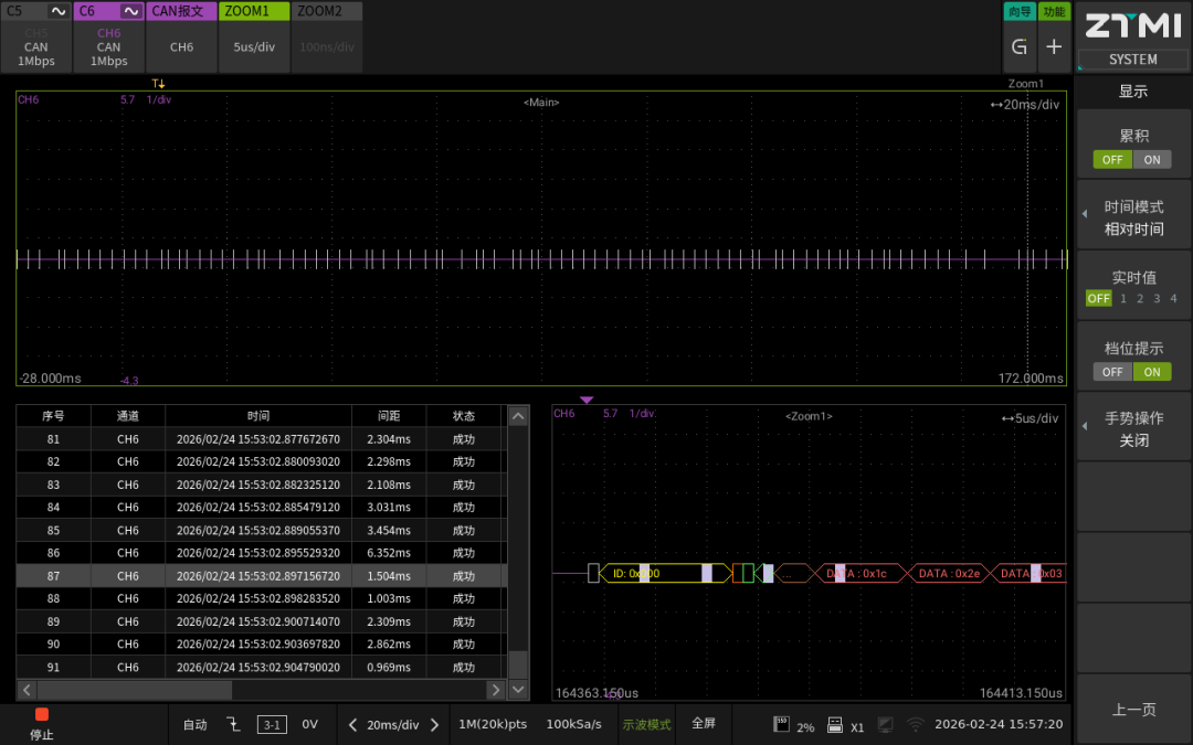
實際使用中,將一個通道設為發送、另一通道設為接收,即可驗證報文收發功能。記錄儀實時顯示接收到的報文,數據列表中可查看詳細信息,放大窗口下可觀察報文細節(如圖5所示)。

圖5 記錄儀板卡報文收發效果
DBC實時解析
在CAN總線測試中,原始報文通常需要結合DBC文件解析為工程參數。ZDL記錄儀支持DBC實時解析,通過板卡的“子通道”功能實現。
子通道是虛擬通道,用于關聯DBC文件中的參數,每個CAN通道提供60個子通道。在設置界面中加載DBC文件(如圖6所示),將目標參數關聯到對應子通道(如圖7所示)。

圖6 DBC文件加載

圖7 子通道與DBC文件關聯
關聯完成后,記錄儀在接收報文的同時自動完成解析,并實時繪制各參數的趨勢圖(如圖8所示)。

圖8 DBC解析與趨勢圖
CAN報文與物理波形的同步分析
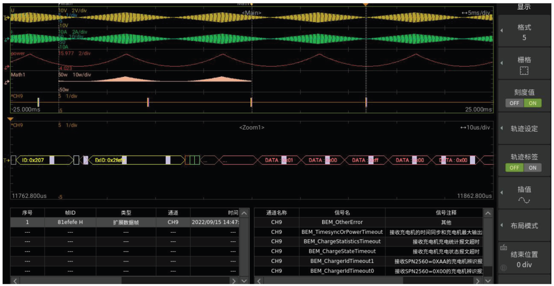
DQM-62151板卡可以完成報文的收發和解析,但無法采集CAN總線物理層的電氣波形。做故障排查或信號質量評估時,工程師往往還需要觀察CANH和CANL的實際波形。
這時,可以在主機中增加一張模擬采集板卡。ZDL示波記錄儀有多款隔離型模擬采集板卡可選(如圖9所示),將模擬通道接入CANH和CANL,即可在同一時間軸上同步查看CAN報文與物理波形,實現協議層與物理層的對照分析(如圖10所示),有助于定位報文異常與物理層信號質量問題之間的關聯。

圖9 記錄儀模擬采集板卡

圖10 CAN報文與波形同步顯示
結 語
什么場景適合用ZDL記錄儀做CAN測試?
簡單的報文收發和短時記錄,CAN卡或報文記錄儀即可勝任;CAN信號的波形分析和診斷,示波器或CAN分析儀也是常見選擇。
但當需求變得更復雜,如長時間連續記錄CAN報文、同步分析CAN物理波形、或在采集CAN信號的同時記錄其他模擬和數字信號時,單一設備往往難以兼顧。ZDL系列示波記錄儀將報文收發、DBC解析、波形采集和多類型信號同步記錄集成在一臺設備上,適合新能源汽車、軌道交通、工業控制等領域中綜合性的CAN總線測試工作。
技術支持















關注官方微信
