功率分析儀 PW8001多相電機的功率測量方法
在EV及工業設備不斷追求高性能的背景下,電機的多相化發展持續加速。傳統主流的三相結構逐漸被替代,采用五 相、六相這類多相電機的情況日益增多,其具體應用有望拓展至電動飛行器、自動駕駛EV等領域。
多相化通過降低各相電流容量,減少電阻損耗并抑制發熱,最終實現電機的高功率輸出與效率提升,還能獲得冗余 性*1、功率密度提高等優勢。然而另一方面,也面臨著測量與評估難度大幅上升的難題。
1:由于繞組多相互獨立,即使某一相發生故障,其余相仍可維持一定扭矩,確保設備繼續運行。
多相電機功率測量的課題與重點
多相電機功率測量面臨以下兩大課題:
電壓與電流通道數的增加
五相電機需同時測量5通道、六相電機需同時測量6通道電壓與電流,因此測量儀器需具備多輸入通道及高精度測量的條件。尤其在高頻領域,各相電壓與電流的相位誤差會直接影響有功功率及效率的計算,因此帶寬特性、相位精度都至關重要。
運算處理的復雜化
三相系統中,有功功率及效率的計算通常采用標準化算式,而五相、六相電機因各相相位角不同,需對每相分別進行獨立運算后再匯總計算。因此,測量儀器需具備用戶自定義運算*2功能,這是實現多相電機功率測量的必要條件。
2:指用戶可自行設定運算公式,并在測量畫面中實時顯示運算結果的功能,也稱UDF(User Defined Function)。

多相電機功率測量的理想儀器
我們推薦使用PW8001進行多相電機功率測量。該設備可在寬頻范圍內保證高振幅精度與相位精度,通過大屏幕能實時查看各相功率參數,且支持多矢量圖顯示,便于直觀確認相位平衡狀態。
此外,選配電機分析選件后,除扭矩,轉速外,還可以測量電機的效率 及損耗。同時,可根據測量對象的額定值與口徑,搭配各類電流傳感器使用。

測量方法
下面以PW8001為例,介紹多相電機功率測量的具體步驟。
N 相電機功率測量的基本事項
電壓:測量各相-中性點或電機機殼(或接地線)間的電壓
電流:測量各線電流
通道數:需準備與電機相數相同的通道數(N通道)
無論是三角形接法還是星形接法,均以電機機殼(或接地線)為基準進行接線。星形接法理想情況下應以中性點為基 準,但由于中性點通常難以引出,因此實際以電機機殼或接地線作為基準。

此時,N相電機的有功功率可表示為以下公式:
P總= P1 + P2 + … + PN-2 + PN-1 + PN
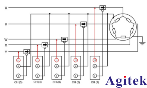
例 1 |五相電機
下面以五相電機的測量為例進行說明。
如圖所示,以電機機殼(或接地線)為基準進行1P2W接線。

在接線設置畫面中,將各通道的接線方式設定為1P2W×五相(N相電機需設置1P2W×N相對應的通道)。

統一5個測量通道的同步源(圖中統一為CH1的電壓)。

通過UDF設置各相功率的總和,以顯示五相電機的總功率。圖中設定為 P總= P1 + P2 + P3 + P4 + P5 。
N相電機需設置N相功率的總和。

例 2 |開繞組電機(六相雙逆變器)
開繞組電機的有功功率可通過以下公式表示,即初級側與次級側功率之和:
P總= P(初級側有功功率)+ P(次級側有功功率)

如圖所示,測量以接地線為基準的初級側與次級側各自的相電壓。電流傳感器分別從逆變器側朝電機負載方向連接(圖中按逆變器1→電機負載、逆變器2→電機負載的電流方向連接)。
通常,電池(電源)的負極與大地處于斷開狀態。這種情況下,將各通道以共同電位為基準接線,可避免受系統GND 電位差的影響,實現精準測量。
圖中以逆變器初級側的框架接地線作為基準。

在接線設置畫面中,分別為初級側、次級側選擇3P4W接線方式(圖中初級側選擇CH1~CH3,次級側選擇CH4~CH6)。

統一所有測量通道的同步源(圖中統一為初級側的電壓)。

通過UDF設置各相功率的總和,以顯示總功率。圖中設定為P總= P123 + P456。

例 3 |雙三相電機(3 相電機 ×2)
雙三相電機的有功功率可通過以下公式表示,即兩套系統的功率之和:
P總 = P(系統1的功率)+ P(系統2的功率)

以1臺逆變器 和 1臺三相電機為1組,對兩套系統的功率進行測量。
? 3P3W3M的接線方式及接線畫面
接線方式如下所示。

圖中,將系統1設定為CH1~CH3,系統2設定為CH4~CH6。

? 3P4W的接線方式及接線畫面
接線方式如下所示。理想情況下應以中性點為基準,但由于中性點通常難以引出,因此實際以電機機殼(或接地線)作為基準。

圖中,將系統1設定為CH1~CH3,系統2設定為CH4~CH6。

統一兩套系統對應通道的同步源(圖中統一為系統1的電壓)。

利用UDF功能分別對兩套系統的功率進行匯總測量。右圖中設定為P總= P123 +P456。

總結
隨著電機技術的高度發展,預計今后以五相、六相為代表的多相電機將日益普及。通過本應用案例介紹的方法,即使 在多相結構下也能實現精準的功率測量,從而更可靠地實現多相電機功率特性的高精度評估,以及開發階段的性能分析與效率提升。
技術支持















關注官方微信
