使用矢量網絡分析儀的阻抗測試方法
使用網絡分析儀進行阻抗測量的方法有3種:

1.反射法:
反射法測量被測件的反射系數(Γx)。 反射系數Γx與阻抗的關系如下:
Γx=(Zx-Zo)/(Zx + Zo)
其中,Zo 是測量電路的特征阻抗(50Ω),Zx 是 DUT 阻抗。根據公式,測得的反射系數跟隨阻抗(Zx)變化在–1至1之間變化。在 Zx 等于 Zo 時可獲得最高的精度。阻抗越高,反射系數曲線的斜率就越慢,從而導致阻抗測量精度下降。阻抗通過以下公式計算:
Z = 50 x((1 + S11)/(1-S11))
反射法的阻抗測量范圍通常為 2Ω 至 1.5 kΩ(取決于所需的精度和測量頻率)。

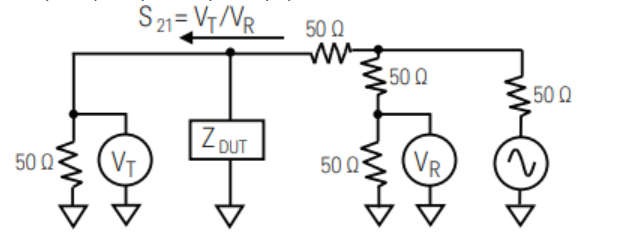
2.串聯直通法:
串聯直通法通過將 DUT 連接成“串聯傳輸”來測量阻抗。串聯直通在測量高阻抗值時最有效:10%的精度范圍約為 5Ω 至 20 kΩ或比反射法高大約十倍。阻抗通過以下公式計算:
Z =(50 x 2)x((1-S21)/ S21)

3.并聯直通法:
并聯直通法通過將 DUT 連接成“并聯傳輸”來測量阻抗。這是測試低阻抗值的好方法,通常用于在毫歐范圍內進行測量(如電源完整性應用)。 10%的準確度范圍為 1 mΩ 至 10 Ω,低于典型的阻抗分析儀可以達到的范圍。阻抗通過以下公式計算:
Z =(50/2)x(S21 /(1-S21))

E5061B網絡分析儀有增益相位測試端口和S參數測試端口,都可以測試阻抗。
技術支持












關注官方微信
