羅德與施瓦茨示波器RTO6系列助力電源紋波測試
經常使用示波器測試的工程師都知道,示波器一般是具備帶寬限制功能,即低通濾波設置,可以將一臺大帶寬示波器變為小帶寬,減小寬帶噪聲影響,用以測試評估低頻信號情況。例如,20MHz低通濾波,就經常應用于電源紋波測試中。然而,有越來越多的電源紋波、噪聲的評估等,需要用到帶通濾波器功能,即將被測信號通過帶通濾波器后,再來評估其指標,如帶通100KHz-10MHz、5MHz-50MHz等,不同被測物或測試場景,需要不同參數的帶通濾波器設置。而示波器往往不具備靈活更改參數的帶通濾波器設置的。
R&S公司的RTO6、RTP、MXO系列示波器,具備豐富的數學運算(Math)功能,支持加載用戶自定義的FIR濾波器文件,來對捕獲到的波形通過運算進行濾波,然后將濾波后的波形顯示于屏幕中。并且自動參數測量等功能依然可以用于該運算濾波器后的波形,高效完成測試。
步驟一
使用濾波器設計軟件來生成FIR濾波器文件,以便讓示波器加載使用
濾波器設計軟件有多種,Python、Matlab等工具都可以使用。Python的PyFDA濾波器設計工具,它帶有UI界面,和濾波器頻響查看等功能,使用起來比較方便,本實驗以此為例。
開啟PyFDA后,如圖1。類型選擇BANDPASS, FIR,此處設計濾波器選擇Kaiser窗,N階數設置為1000階,也可選擇其他類型例如equiripple。fs 為采樣率,此處設置為100MHz,該數值需要與示波器測試使用時設置的采樣率保持一致。Frequency Spec一欄中輸入我們期望的帶通濾波器帶寬范圍為2MHz和6MHz,其他參數保持默認,點擊Design Filter按鈕。軟件計算完成后,右側出現該濾波器的幅頻相應曲線,看到其響應基本符合需求。

圖1
保存該濾波器文件為csv格式,命名BPF_2M_10M_SR100M.csv,如下圖2所示。

圖2
步驟二
RTO6示波器加載并使用該濾波器文件
如上所述,示波器基礎設置中,開啟帶寬限制20MHz,采樣率設置為對應的100MSa/s。
將該csv文件復制到示波器硬盤任意目錄下;RTO6示波器加載該csv濾波器文件,設置方式為打開Math頁面在M2的公式定義里,選擇Filter->User Define->選擇該csv文件,使能Display開關,這時,M2窗口里的波形即為濾波后的波形,設置界面參考圖3。至此,設置結束。

圖3
步驟三
驗證濾波器效果
為驗證該濾波器的效果,我們用RTO6示波器的集成波形發生器RTO6-B6發送掃頻信號給示波器通道1,頻率范圍為8MHz至15MHz。
如之前所述,示波器設置20MHz帶寬限制,100MSa/s采樣率以保證正確的濾波頻率。請注意:雖然示波器可加載該帶通濾波器文件,但是依然需要設置示波器的固有的低通濾波器開啟,此步驟是必要的,起到抗混疊濾波作用。
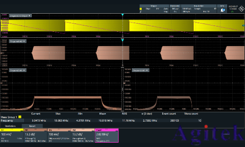
參考圖4 ,可以看到上方黃色波形為通道1捕獲的信號。紫色斜線Track1是示波器測量出的頻率vs時間的曲線,顯示該掃頻信號的頻率變化。下方M2為帶通濾波(2MHz-10MHz)后之后的最終波形??梢钥吹浇涍^濾波后,M2波形只保留了8MHz-10MHz范圍的波形,高于10MHz的頻率信號被抑制。
從頻譜角度可以更清晰的顯示出濾波效果。左下方M1是通道1的頻譜,掃頻信號范圍為8MHz-15MHz,右下方頻譜M3是針對經過帶通濾波后,信號頻率范圍是8MHz-10MHz,帶通濾波器效果符合預期。

圖4
補充說明:依然需要設定示波器低通帶寬限制的必要性,請參考如下實驗。
故意取消示波器的低通20MHz限制,示波器此時帶寬達到1GHz,波形發生器輸出85MHz-95MHz的掃頻信號,按照我們期望的效果,經過數字運算的帶通濾波器后,應該大幅度衰減該信號所有頻率成分。但是參考圖5,無論是濾波后的時域信號M2還是頻譜M3,都不符合預期。
這是由于示波器采樣率只設置100MSa/s,在采集85MHz-95MHz信號時,采樣率不夠而造成混疊現象,錯誤的將該信號頻率“認為是5MHz-15MHz”,在該階段已經出現重建波形錯誤了。此時再通過數學運算的帶通濾波器(2MHz-10MHz),只抑制了“錯誤認為”的大于10MHz的成分,而其他“錯誤認為”的頻率成分依然在濾波器的通帶內而不衰減。圖5中顯示,M2時域濾波后波形顯示出其保留下的頻率成分幅度與原始信號相同,而其頻譜M3顯示其頻率范圍是5MHz-10MHz,符合上述原因分析。因此,在使用該自定義濾波功能時,依然需要設定示波器的模擬帶寬限制,避免混疊現象。

圖5
結語
示波器加載自定義FIR濾波器的方式很靈活,有效幫助工程師驗證和調試信號問題,例如電源紋波等測試場景。
設計該濾波器文件時,可以使用多種不同的濾波器設計軟件。無論使用那種設計軟件,最終導出其系數存為csv文件,被示波器調用即可。
設計濾波器文件時,需要考慮后續使用示波器測試時設置的采樣率,二者應保持一致。濾波器帶寬、采樣率、濾波器階數等參數是互相關聯的,在設計時綜合考慮。例如帶寬要求很低頻率,但采樣率過高會導致濾波器階數很高,設計軟件計算量太大。應該保證采樣率在最高通過頻率的2.5倍或以上即可。參數的選擇可結合軟件生成的頻響曲線,選擇適當參數,滿足需求即可。
為避免可能產生的混疊現象,應該始終注意設置帶寬限制,使其既符合采樣率的訴求,也要滿足測試需要,大于所需要的帶通濾波器的截止帶寬。R&S示波器不僅具備常用的20MHz、200MHz帶寬限制,同樣具備10KHz、100KHz、50MHz、100MHz等多種步進設置,滿足不同的測試場景需求。
技術支持














關注官方微信
