- 詳細說明
- 產品手冊
產品簡介
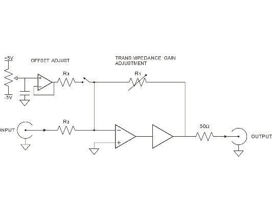
OE4101是跨阻電流放大器,通過負反饋結構,利用反饋電阻實現輸入電流到電壓的轉換,并且控制放大倍數。
OE4102通過測量輸入電流通道上電阻的壓降來檢測電流,放大并輸出與被測電流成正比的電壓信號。
OE4101 跨阻低噪聲電流前置放大器
60fA/√Hz輸入電流噪聲
100V/A,10kV/A,1MV/A,100MV/A電流跨阻增益
大范圍、高分辨率的偏置調節
原理框圖

規格
外形尺寸 102*176*49(mm)
重量 0.3kg
儲存溫度 -20 ℃ 至 65 ℃
工作溫度 5 ℃ 至 40 ℃
適用電源 12V/1A
最大功耗 約4.3W
技術支持





關注官方微信
